- Поддон для конденсата
- Схема дренажа
- Обслуживание контура дренажа
- Монтаж и прокладка дренажа
- В штробах
- В коробе
- Диаметр трубы
- Уклон
- При использовании помпы
- Без помпы (самотёком)
- Что представляет собой конденсат?
- Где находится дренаж
- Ответ
- Монтаж дренажной системы
- Требования к монтажу дренажных труб
- Слив в канализационную систему
- Схема линии отвода внутри дома
- Установка сифона для конденсата
- Вопрос
- Дренажные трубки для слива конденсата
- Какие существуют способы сброса воды?
- Нормативы отвода воды
- Как происходит слив на практике?
- Проверка слива при отсутствии конденсата
- Оценка воздействия на здоровье
- Чистка дренажа
- Откуда берется ненужная жидкость?
- Зачем нужен слив в канализацию?
- Целесообразность сложного варианта
- Что предписывают нормы правил?
- Недостатки отвода самотеком на улицу
Поддон для конденсата
Чтобы защитить помещение от вытекающей от кондиционера жидкости и не тратить деньги на внезапный ремонт, проще заказать отличную емкость для сбора конденсата.
Покупка будет стоить недорого, но прослужит много лет.
Поддон для сбора конденсата – небольшой резервуар, отвечающий за сбор жидкости. Поскольку кондиционеры производятся стандартной формы, то и поддон не будет отличаться разнообразием форм.
Но если габариты помещения требуют необычной формы резервуара, мы выполним любой заказ. Поддон для конденсата кондиционера должен обладать следующими качествами:
- быть герметичным и не пропускать воду;
- легко сниматься и устанавливаться;
- просто отмываться от скопившейся жидкости;
- иметь сливное отверстие, если установлен в труднодоступном месте.
Компания «Свар-пластик» производит только качественные и долговечные изделия, способные выдержать много лет эксплуатации. Обращаясь к нам, вы можете быть уверены в следующем:
- возможность заказа любой формы и размера изделия;
- производство на оборудовании европейского качества;
- применение современных методов производства;
- использование только первичных листов пищевого пластика.
Мы можем не только изготовить поддон, но и сделать в нем сливное отверстие, крышку и любые другие дополнительные детали. При необходимости изделие может быть сварено на месте эксплуатации.
Схема дренажа
Схема крайне просто – с теплообменника конденсированная влага стекает в специальный поддон, откуда по наклонной трубке передается в канализацию. Схема может быть усложнена длиной трасы, а также дополнительным оснащением.

Обслуживание контура дренажа
После монтажа системы отвода конденсата, необходимо заботиться о ее функциональном состоянии. Существует множество неисправностей, возникающих при эксплуатации и нуждающихся в немедленном вмешательстве.
Проблема. Чаще всего засоряется отверстие, через которое влага выводится в дренажную трубку. Причина в пыли и грязи, скапливающейся в отверстии. Мусор оседает и закупоривает трубку. Ванночка наполняется жидкостью и та начинает течь по стенам на пол.
Решение. Для избежания неприятных последствий, следует регулярно чистить и промывать трубку. Для промывки подойдут моющие средства, в составе которых имеется хлор, поскольку он максимально эффективно справляется с поставленной задачей.
Проблема. При неисправности регулятора давления, на испарителе могут появиться наросты льда. Причиной этого становится понижение температуры на улице, а в следствии и температуры фреона.
Решение. Для предотвращения неисправности, следует регулярно выполнять технический осмотр путей слива конденсата из сплит системы.
Проблема. Если кондиционер в зимнее время включен на обогрев, то трубка отвода влаги быстро замерзнет, что станет причиной поломки.
Решение. При отрицательной температуре на улице сплит-систему следует отключать. Можно купить низкотемпературный комплект, предназначенный для подогрева компрессора и дренажной трубки. В таком случае кондиционер сможет работать даже при температуре -25 градусов.
Решение. Не забывайте следить за уровнем холодильного агента. Своевременно обращайтесь в сервисный центр для дозаправки.
Проблема. При поломке помпы дренажная система выходит из строя.
Решение. Оборудование лучше приобретать у официальных поставщиков и с ответственностью относиться к монтажу.
Проблема. Неправильный угол наклона дренажной трубки станет причиной застоя воды. В дальнейшем она будет капать на пол.
Решение. Придерживайтесь рекомендаций по созданию наклона еще на этапе монтажа.
Монтаж и прокладка дренажа
Есть два способа прокладки дренажной трассы – в специальные канавки, которые штробятся в стене и в накладные короба. Разберемся с каждым методом по отдельности.
Использование коробов гарантирует следующие преимущества:
- Они легко и быстро монтируются, а при необходимости снимаются с поверхности стены, потолка.
- При монтаже не возникает пыли и мусора.
- Внешне укладка в короба выглядит аккуратно и презентабельно.
Раз уж мы разбираем целесообразность применения того или иного способа прокладки, то мы обязаны сказать и о недостатках, которые, к сожалению, полностью нивелируют все преимущества данного способа укладки трассы:
- При стандартной высоте расположения сплит-системы или кондиционера в 2,5 метра уклон дренажа должен составлять величину от 7,5 до 9 см. В итоге короб получится наклонным.
- Поскольку кондиционер требует подключения к сети 220V, то потребуется еще один короб для электрокабеля.
- Если слив выполняется в канализацию, то короб будет прокладываться через все комнаты квартиры до стояка канализационной трубы.
Таким образом, возникает смысл рассмотрения прокладки дренажа в штробах. Об этом мы поговорим в следующем разделе, а после снова вернемся к коробам, чтобы описать процесс их установки.
В штробах
Использование штроб позволяет выполнять различный уклон и полность скрывать дренажную трубку под облицовочным слоем.
Для прокладки необходимо выполнить следующие работы:
- Разметка.
- Изготовление канавок.
Разметка производится с учетом места слива и расположения кондиционера:
- Если дренажная и фреоновая трубка расположены параллельно, то требуется соблюдать уклон в 3о.
- Если дренажная трубка прокладывается отдельно, то требуется соблюдать уклон с перепадом от 1 см.
Метод, когда конденсат сливается самотеком называется гравитационным методом. Если его обеспечение невозможно, то требуется продумать место установки дополнительного оборудования – помпы для откачки.

Прокладка штробы в кирпичной стене
Для изготовления штробы нам понадобится угловая шлифовальная машинка (болгарка) и перфоратор. Штроба намечается на стенке и ее края прорезаются болгаркой, а середина выбирается перфоратором. Штробы с глубиной в 6 см. вполне хватит для прокладки дренажной магистрали и сокрытия ее под слой облицовки.
В коробе
Короба приобретаются как отдельные изделия, которые используются для укрытия различных коммуникаций. Как правило, они изготавливаются из пластика и легко устанавливаются.

Что необходимо для монтажа:
- Размеривается будущая линия прокладки коробов. При этом можно обрисовать силуэт короба непосредственно.
- Высверливаются отверстия под места крепления короба. На корпусе для закрепления на стену имеются специальные проушины.
- В отверстия вставляются дюбеля и вворачиваются саморезы.
- В короб пропускается гибкая дренажная трубка.
- Закрывается крышка. Если короб цельный, то проводку магистрали необходимо осуществить заранее, закрепив ее строительным скотчем к стене.
Диаметр трубы
Трубки для отвода конденсата можно разделить на две категории по материалу изготовления и морфологическим особенностям.
- Трубы из поливинилхлорида и полиэтилена.
- Трубы с гладкой или гофрированной поверхностью.
Трубки с гладкой поверхностью применяются при небольшом расстоянии до места окончательного слива. Если траса длинная, то лучше использовать гофру, которая позволяет делать легкие сгибы в местах, где это необходимо при прокладке. При этом не потребуется установка дополнительных изделий.
Дренажные трубы для кондиционеров подразумевают следующую номенклатуру диаметров:
- Для бытовых приборов мощностью до 3 кВт в зависимости от модели используются медные трубы для устройства трассы кондиционера диаметром 1/4 или 3/8 дюйма, что соответствует 6 и 10 мм.
- Для устройства дренажной магистрали предпочтительнее применение гофрированного шланга диаметром 16 мм. Расчет длины аналогичен расчету длины трубопровода, с учетом длины под внутренним блоком около 0,5 м, длина на улице – около 1,2 м.
Еще раз обобщим все мероприятия, которые необходимы для прокладки дренажной магистрали:
- С кондиционера снимаются крепежи, которые находятся в нижней части.
- Внизу, под вентилятором смонтирован специальный поддон, для сбора капель конденсата. Сбоку поддона можно обнаружить патрубок 1,5-2 см. К нему на хомутик и крепим дренажную трубку.

- Нижняя часть кондиционера собирается, а само устройство закрепляется на стене.
- Шланг или трубка, присоединенная к патрубку, выводится в канализацию или на улицу.
Уклон
Уклон обеспечивается для того, чтобы влага оперативно отводилась из накопительного бачка в канализацию. Если уклон не будет обеспечиваться, то вода застоится.
При использовании помпы
Дренажи подобного типа требуют дополнительного подключения к электрической сети, которая обеспечивает работу помпы для откачки. Период ее работы можно настроить автоматически. При этом дренажная система все равно должна иметь наклон хотя бы в 1,5-2о – это исключит застой влаги в трубке, а не в накопительном поддоне. Из поддона влага будет окачена принудительно.

Без помпы (самотёком)
Уклон рассчитывается примерно так: на 1 метр высоты необходимо обеспечить 2,5-3 см. уклона от кондиционера в сторону слива. Это, если говорить о гравитационном способе отведения влаги.
Что представляет собой конденсат?
Риск нанести вред здоровью от неправильного отвода испаряемой влаги намного опаснее угрозы поломки сплит системы. Хотя по своему химическому составу конденсат является просто обычной водой. Но дело в том, что в застоявшейся теплой влаге скапливаются болезнетворные микробы.
Последствиями не отведенного конденсата могут быть:
- неприятный затхлый запах из кондиционера;
- размножение возбудителей инфекции легионелл;
- образование различных форм плесневого грибка.
Ошибочно считать кондиционер главной причиной тяжелой «болезни легионеров». Опасный микроорганизм живет в почве, бассейнах, декоративных фонтанах. Везде, где есть застоявшаяся вода, даже в медицинском физиотерапевтическом оборудовании, есть угроза столкнуться с легионеллами.
Отвод лишней влаги из сплит системы нужен для здоровья вашей семьи. Постоянно сливаемый конденсат не даст шанса развитию застоя воды
Дренажная система предназначена для слива излишней влаги. Правильно выполненный отвод конденсата и своевременное техобслуживание делают климатическое оборудование совершенно безопасным.
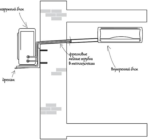
Где находится дренаж
Видимая часть дренажа – это поддон, который располагается в нижней части кондиционера непосредственно перед вентилятором забора воздуха. Сбоку или в нижней части в поддоне смонтирован специальный патрубок, к которому и крепится дренажная трубка.
Выяснив, где располагается дренаж, уделим внимание и способам, которыми реализуется отвод конденсированной влаги:
Ответ
Здравствуйте! Особенностью данной модели мобильного кондиционера DANTEX является автоматическое удаление конденсата, путем его испарения. Как это работает? Образовавшийся на испарителе конденсат стекает в поддон №1. Поддон №1 имеет специальные отверстия через которые конденсат в капельном режиме попадает в горячую зону конденсатора, где быстро испаряется. Пары воды удаляются одновременно с горячим воздухом по воздуховоду на улицу. Выброс конденсата в трубу сброса горячего воздуха после конденсатора практически исключен при влажности ниже 85%. При 100% влажности конденсат все же будет стекать в нижний поддон №2 и при его переполнении кондиционер остановится с ошибкой «Р1». Для устранения этой ошибки следует слить конденсат из нижней ванночки, открыв резиновую пробку сливного отверстия. Можно при этом использовать прилагаемую прозрачную, гибкую трубочку. Система имеет два датчика перелива в обоих поддонах. Даже если забьются капилляры верхнего поддона и он переполниться, компрессор будет остановлен по той же ошибке «Р1». И тогда воду придется сливать уже с верхнего поддона, открыв резиновую пробку сливного отверстия. При отсутствии данной опции в нижней части блока устанавливается резервуар для конденсата. Конденсат стекает в этот резервуар и его необходимо периодически сливать или система остановится по переполнению этого бачка, либо, удалив бачок, присоединить к выходу из дренажного поддона слив к сточной трубе, соблюдая правило «разрыва струи», для отсечки сточных запахов. Однако, у наших клиентов на территории России до сих пор не было случаев каких-либо проблем с конденсатом.
Технический специалист Dantex
Монтаж дренажной системы
Для начала придется составить схему размещения каждого элемента сливной системы.
В ее состав входят:
- хомуты и крепеж;
- дренажная трубка;
- уплотнители и переходники;
- сифон (если нельзя изогнуть дренажную трубку);
- канализационная труба.
Следует заранее организовать небольшой уклон канализационной трубы, подведенной к самой канализации. Установка сифона позволит создать гидрозатвор, препятствующий доступу газов из канализации.
Поскольку кондиционер работает только в жару, возможным решением станет установка обратного клапана между оборудованием и канализацией. Он будет эффективен в любое время года. Даже если вода в гидрозатворе пересохнет, посторонним запахам хода не будет.
Бывают случаи, когда невозможно организовать самотечную систему. Выходом становится использование специальных емкостей, в которых накапливается конденсат. По мере накопления емкость самопроизвольно освобождается или опорожняется с применением насоса.
Для работы дренажа с насосом потребуется подключение к электросети. В этом случаем можно обойтись без установки обратного клапана. Трубка из кондиционера заходит в емкость без прямого соединения с канализацией.
Если кондиционер после разборки-сборки начал шумно работать, нужно проверить крепеж внешнего блока. Из-за ослабленного крепежа блок со временем может упасть
При монтаже дренажа кондиционера с выводом в канализацию следует организовать горизонтальный участок системы и соединить его с трубой, идущей от приемной ванночки. При слишком больших расстояниях придется проделать в стенах отверстия для проведения трубопровода.
Требования к монтажу дренажных труб
Производители кондиционеров не рекомендуют использовать в магистралях отвода конденсата гофры для электропроводки, садовые шланги. Маршрут самотечной системы отвода конденсата не должен иметь изгибов и резких поворотов.
Необходимой прочностью обладают специальные гладкие и гофрированные трубы для отвода конденсата. Их изготавливают из полиэтилена, полистирола, металлопластика.
Параметры линии дренажа следующие:
- Горизонтальные участки имеют наклон около 3%, на поворотах максимально допустимый угол до 45 о ;
- Стандартный внутренний диаметр труб обычно составляет 16 мм, шланги нельзя вставлять друг в друга;
- Плотное присоединение шланга к блоку сплит системы обеспечивается фитинг-переходниками.
На дне корпуса внешнего блока кондиционера есть специальное отверстие для присоединения гибкой дренажной трубы.
Для прокладки соединительных кабелей и шланга отвода конденсата между наружным и внутренним блоками сплит системы в стене пробивается отверстие. Оно обязательно должно быть сделано с уклоном в сторону улицы. Даже при схеме с принудительным удалением жидкости. Ведь помпа может выйти из строя и какое-то время влага будет удаляться самотеком.
Слив в канализационную систему
Оптимальным решением является отвод конденсата в канализацию. Проблема такого слива состоит в том, что в жилых помещениях с кондиционером обычно нет канализационного участка.
Решением становится один из следующих вариантов:
Выбирайте приемлемый для вас способ отвода конденсата. Как правило трудоемкость и стоимость материалов ниже в первом случае.
Схема линии отвода внутри дома
Наружный блок не вырабатывает конденсат в режиме охлаждения. Капающая на головы прохожих жарким летом вода из кондиционера собирается во внутреннем модуле. А затем из специальной накопительной ванночки удаляется по дренажной трубе наружу.
Но выводить жидкость во внешний модуль системы совсем необязательно. Собранный в помещении конденсат можно от кондиционера направить в канализацию к ближайшему стояку, указанному в схеме разводки труб внутри дома. Чем меньше будет длина участка дренажной системы между внутренним модулем сплит системы и канализацией, тем легче будет обслуживание и ремонт магистрали.
При проектировании и монтаже следует избегать большого числа поворотов линии отвода конденсата. Лучше сделать отверстие в стене при прокладке магистрали в соседнее помещение
Подключение линии отвода конденсата к канализационной схеме стоков требует знаний и опыта. Если вы собираетесь сделать такую работу самостоятельно, консультируйтесь с мастерами, имеющими практический опыт в этой сфере.
Установка сифона для конденсата
Защитой от проникновения неприятных запахов из канализации в помещение служит гидрозатвор. Эту функцию выполняет обычный канализационный сифон. Устройство монтируется на стыке соединения канализационных и дренажных труб.
Влага из кондиционера сначала накапливается в сифоне. На определенном уровне приспособления находится затвор, который выпускает жидкость в канализацию. Сифоны оборудуются защитным клапаном, ограждающим от проникновения запахов.
По способам установки сифоны классифицируют на:
- закрытые встроенные в стену;
- наружные открытого исполнения;
Конструктивно они бывают обычными с гидрозатвором, шариковыми с каучуковым запирающим элементом, сухими с разрывом струи и без этой функции и т.
Встраиваемые закрытые сифоны имеют разные габариты глубины. Для монтажа их в стену следует подбирать соответствующую конкретным размерам модель.
Удобны наружные сифоны из прозрачной пластмассы, позволяющие отслеживать их переполнение и загрязнение
Эффективность устройства характеризуется пропускной способностью. Различные модели сифонов отличаются видом резьбы. Учитывайте этот момент при покупке оборудования.
Вопрос
21 Июня 2014
Здравствуйте!
Вот заказали мы кондей RK-12PNM-R (N), а привезли нам RK-12PNM-R, и сразу куча вопросов появилась:
1. Имеется ли прототип данного кондиционера RK-12PNM-R (без (N)), отличающийся отсутствием функции автоматического удаления конденсата или ещё чем?
2. В инструкции на кондиционер RK-12PNM-R сказано, что имеется функция автоматического удаления конденсата, но имеется в комплекте сливная труба и упомянут внутренний бачок для конденсата, который надо периодически сливать. Как это понимать? Инструкция неверная (от другой модели цельно-тянутая (?), хотя название правильное), или бачок и в самом деле есть, но доступ к нему визуально никак не просматривается!
3. Как вообще правильно установить данную модель, (из инструкции это совершенно не понятно), то есть имеем: отверстие с пробкой сверху прибора, отверстие с пробкой снизу прибора, шланг. И что куда? Вероятно, открыть верхнюю пробку, туды шланг натянуть и в свою ёмкость. ? А что делать с нижним, пробку снимать? Или нет. И как вообще тогда понимать утверждение о наличии функции автоматического удаления конденсата. Как бы это всё выглядело при отсутствии данной опции, в чём разница ? И про внутренний бачок, упомянутый в инструкции. где он и надо ли с ним чего делать ?
Дренажные трубки для слива конденсата
Конденсат по дренажным трубкам отводится от кондиционера. Трубы, применяемые в организации вывода конденсата из кондиционера, могут изготавливаться из поливинилхлорида или полиэтилена. Изделия из этих материалов имеют высокую прочность и не поддаются воздействию воды.
Производители кондиционеров комплектуют свой товар трубками двух типов — гофрированными и гладкими. Последние встречаются только в бюджетных моделях кондиционеров и не могут быть установлены без специальных фитингов.
Использовать гладкие трубы для организации дренажного трубопровода можно, но только если кондиционер расположен близко к канализации. Если же место подключения к канализации находится далеко, то монтаж будет сильно усложнен из-за применения фитингов.
При использовании слишком короткой дренажной трубки вы будете слышать свист ветра, что особенно актуально для жителей многоэтажек. Зимой из внутреннего блока будет ощутимо веять холодом
Благодаря высокой гибкости гофрированных трубок при монтаже дренажного трубопровода фитинги не понадобятся. Дренажный трубопровод из полимерной гофры для отвода конденсата от наружного и внутреннего блока можно изгибать под любым углом. Процесс устройства такого трубопровода не отнимет у вас много сил и времени.
Какие существуют способы сброса воды?
Самый дешевый вариант – удаление побочного продукта самотеком. Но и в этом принципиальном исполнении есть разновидности. Они заключаются в месте приема конденсата.
Основные способы отвода жидкости:
Кондиционирование воздуха — не самое дешевое удовольствие из современных технических достижений. Поэтому не стоит экономить на правильном проектировании и установке системы слива отработанной влаги.
Сбор конденсата в пластиковую бутыль не требует материальных затрат. Главное вовремя сливать скопившуюся жидкость в канализацию
В любом случае дренаж нужно делать правильно с самого начала монтажа сплит системы. Какой бы вариант отвода конденсируемой влаги вы не выбрали.
Нормативы отвода воды
Существуют нормы отвода воды от кондиционера СанПиН, запрещающие отвод конденсата на улицу. Рекомендуется отводить конденсат именно в канализационную систему. Таким образом можно избежать нежелательных последствий от оседания влаги на испарителе кондиционера.
Крайне не рекомендуется выводить влагу в ливневую систему. Причина кроется в нестабильной работе ливневки. При сильном дожде там образуется высокое давление. Вода сможет легко подняться по дренажным трубкам и выведет из строя кондиционер, подтопив жилое помещение
От правильности выполнения монтажа системы отвода конденсата зависит частота обслуживания дренажа кондиционера. Используйте более дорогие трубки, которые не меняют внутреннюю форму при изгибе. Таким образом вы сможете соорудить надежную систему с беспрепятственным перемещением конденсата к выходу.
Во время монтажа климатического оборудования необходимо обязательно учесть особенности устройства дренажа кондиционера. Если грамотно были заложены трубы сплит-системы и установлен гидрозатвор, работа агрегата никому не доставит неудобства. Куда утилизировать конденсат, лучше решить на этапе проектирования трассы и расположения блоков.
Как происходит слив на практике?
Небольшой социологический опрос, проведенный среди пользователей кондиционеров, показал любопытную статистику.
На вопрос, куда вы отводите конденсат, были получены следующие ответы:
Разъясним суть сброса жидкости для непросвещенной последней категории владельцев сплит систем. Тем, кто не знает куда девается конденсат, образующийся в кондиционере, полезно почитать инструкцию на прибор. Она дает четкие указания по монтажу дренажного вывода от блока кондиционера.
Особого внимания требует проблема в больших частных домах с несколькими кондиционерами в разных помещениях. Организованное решение сбора конденсата следует принять на этапе проектирования климатической системы
Помнить об особенности климатической техники, вырабатывающей жидкость, следует не только при проектировании и монтаже. Следить за процессом отвода влаги необходимо и при эксплуатации кондиционера.
Проверка слива при отсутствии конденсата
Если из дренажной трубки не стекает конденсат, а ждать пока вода польется из внутреннего блока нет никакого желания, можно провести диагностику дренажной системы своими руками.
Работы по поиску проблемы проводят в следующем порядке:
Возможно, дренажный шланг передавлен или принял неправильное положение. В результате жидкость не может подняться для свободного выхода.
Если в доме живут маленькие дети, аллергики или старики, следует каждый год обрабатывать внутренний блок кондиционера и дренаж дезинфицирующим средством. Таким образом можно снизить вероятность появления простудных и аллергических заболеваний
Так просто можно проверить дренаж с самотеком. При установленном насосе для откачивания воды из лотка, этот метод проверки дренажной трассы не подойдет.
Оценка воздействия на здоровье
Опасность конденсата заключается не только в вероятном затоплении или поломке самого кондиционера. Главная угроза — вред для здоровья. Есть несколько факторов, способствующих комфортному размножению бактерий: тепло, грязь и вода. Чем не идеальные условия для развития различных заболеваний?
При засоре дренажного шланга следует отсоединить его и продуть. Если система была правильно смонтирована, без изломов, с противоположного конца должна вылететь скопившаяся грязь
Отвратительный запах — самое малое изо всех зол. Появление неприятного аромата явно сигнализирует владельцу климатической системы , что требуется проведение капитальной чистки дренажа.
Чистка дренажа
Чистка дренажа необходима для того, чтобы внутренняя поверхность трубок и поддонов не загрязнялась от примесей, которые возможно присутствуют в конденсате.
Инструкция по чистке:
- Необходимо найти дренажный поддон. Для этого в нижней части кондиционера снимаются крепления и открывается крышка.
- Дренажная трубка отсоединяется от поддона. Ванночка демонтируется из полости.

Загрязнение скопившееся в дренажной трубке кондиционера
- Если слив выполняется в канализацию, то необходимо произвести чистку сифона. Он демонтируется и промывается проточной водой. Многие модели оснащаются специальным лючком для очистки без демонтажа.
- Ванночка чистится отдельно. Для этого из нее выливаются остатки влаги и производится очистка с использованием антисептических или моющих средств.
В данной статье были представлены все необходимые сведения, которые сформируют для пользователя исчерпывающее определение понятий – дренаж и дренажная система. Используя, почерпнутые сведения, можно не только эффективно прокладывать дренажные трасы и очищать их, но и тем самым увеличить срок службы кондиционера.
Откуда берется ненужная жидкость?
Охлаждение воздуха в кондиционере происходит при циркуляции хладагента. Элемент схемы движения потока, в котором происходит понижение температуры, называется испарителем.
Такое наименование прибор получил оттого, что на его корпусе во время работы появляются капельки влаги, то есть «испарина». Образуемая жидкость и есть тот самый конденсат, который требует отвода из блока сплит-системы.
Из теплого воздуха в момент резкого охлаждения выделяется влага. От одного работающего агрегата за сутки может накопиться до 15-20 литров жидкости
Слив накопленной влаги является важным моментом для исправной работы кондиционера. Климатический аппарат функционирует от электрической сети. Как известно, вода хороший электропроводник. При повышенной влажности есть риск короткого замыкания в цепи прибора. Поломку дорогостоящего электрооборудования можно предотвратить за счет правильного отвода конденсата.
Зачем нужен слив в канализацию?
Выполнение соединения дренажной системы с канализационной является самым дорогостоящим вариантом отвода конденсата из сплит системы. Но эксперты рекомендуют выбирать именно такой способ, несмотря на затраты. Потому что он является самым правильным во всех отношениях.
Целесообразность сложного варианта
Первые кондиционеры устанавливали без особых размышлений об охране окружающей среды. Но сегодня вопросы экологии выходят на первый план в техническом развитии общества.
Дорогое климатическое оборудование приобретается на долгий срок эксплуатации. Ваш заботливый уход продлит его жизнь
Здоровье человека и его меньших друзей домашних питомцев требует заботы. Болезни отнимают силы и деньги на лекарства. Поэтому самый затратный способ отведения магистрали дренажа в канализацию со временем окупится за счет экономии на лечении.
Чистый воздух без примесей вредных паров от капающего конденсата полезен как в загородном доме, так и на придомовых территориях в многоэтажных городских районах.
Что предписывают нормы правил?
Отвод жидкости в канализацию только рекомендуется, но не запрещается инструкциями на климатическое оборудование. Просто этот способ является самым щадящим для исправной долгой работы прибора. Он исключает опасные последствия накопления большого количества влаги на испарителе кондиционера.
Постоянно проскальзывающие утверждения о требованиях закона монтировать сток конденсата только в канализационную систему безосновательны. Желающие могут убедиться в этом, просмотрев судебную практику по искам к владельцам кондиционеров с самотечными уличными отводами конденсата. Суды в удовлетворении таких исков отказывают, как не обоснованных законодательными нормами.
Существуют локальные запреты выброса конденсата в атмосферу в рамках решений жилищных образований. Мы не будем рассуждать о правомерности таких документов. Как говорится, колхоз — дело добровольное.
Строительные нормы и правила предписывают выполнять стоки конденсата в канализацию. Но исполнение СНиПов обязательно только для новых жилых зданий премиум-класса, сдающихся в эксплуатацию с установленной системой кондиционирования
И все же существует один всеобщий запрет, который распространяется на любые системы отвода конденсата. Нельзя сливать влагу из кондиционера в ливневую канализацию. Это опасно для оборудования. Из-за повышения давления во время дождя, вода может залить кондиционер через дренажную трубу.
Недостатки отвода самотеком на улицу
Простым доступным способом пользуются из соображений экономии времени на монтаж и денег на оплату услуг мастеров. Однако такой метод удаления конденсата имеет ряд неприятных нюансов.
Вода, вытекающая из дренажной трубки:
- загрязняет фасад, окна, а иногда попадает и на прохожих;
- нарушает ночную тишину, распространяет опасные микробы;
- медленно, но верно разрушает конструктивные элементы здания.
Не вызывает эстетического восторга вид грязных луж под модулем. Стук капель по ночам может вас абсолютно не беспокоить. Но неизвестно, как к шуму отнесутся ваши чувствительные соседи в многоквартирном доме или таунхаусе.
В частном доме висящий на стене шланг с капающей водой портит внешний вид своей неряшливостью. Частицы пара разносят органические вредные компоненты конденсата по придомовой территории
Сама вода, образованная от сбора конденсата, является нежелательным продуктом и требует утилизации. С точки зрения гигиены, этики, безопасности людей и домашних животных такую отработанную жидкость лучше всего выводить в канализационную систему.








